MBS ASK 81.4, 400/5A; 5VA; 0,5S% Měřící tranformátor proudu *21572

Obrázky mohou mít pouze ilustrační charakter
Kód Viola: 84098126
EAN: neuveden
Kód výrobce: 21572
Jednotka: ks
Daň: 21%
Běžné balení: 1 ks
Výrobce: MBS AG
E-mail výrobce: support@mbs-solutions.de
Web výrobce:
Cena s DPH:
2 283,63 Kč/ks
1 887,30 Kč bez DPH Recyklační poplatek: 0 Kč s DPH
Přihlašte se pro získání bonusových bodů za nákup této položky
Není skladem
Máte dotaz k tomuto produktu?
ikonka dotazu
Dotaz k produktu: MBS ASK 81.4, 400/5A; 5VA; 0,5S% Měřící tranformátor proudu *21572
Křížek - zavřít dialog
popis

Technické parametry:
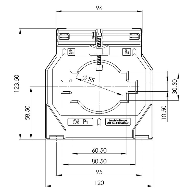
Druh: průvlečné
Převodový poměr: 400A / 5A
Jmenovitý výkon: 5 VA
Třída přesnosti: 0,5S%
Velikost otvoru: 55 mm
Rozměry: 123,50 x 120 x 58 mm
Stupeň krytí: IP20

Doplňující informace
Katalogový list_ASK-814_de.pdf Stáhnout v PDF (0.27 MB)
Čtečka EAN13 kódů