PV-B06MRC-CZ U-f guard Napěťová a frekvenční ochrana, třístupňová

Obrázky mohou mít pouze ilustrační charakter
Kód Viola: 54450913
EAN: 8594195750137
Kód výrobce: PV-B06MRC-CZ
Jednotka: ks
Daň: 21%
Běžné balení: 1 ks
Výrobce: CZ-elektronika plus s.r.o.
E-mail výrobce: info@cz-elektronika.cz
Web výrobce:
Přihlašte se pro získání bonusových bodů za nákup této položky
Není skladem
Poptat cenu otazníček
Poptat cenu: PV-B06MRC-CZ U-f guard Napěťová a frekvenční ochrana, třístupňová
Křížek
Máte dotaz k tomuto produktu?
ikonka dotazu
Dotaz k produktu: PV-B06MRC-CZ U-f guard Napěťová a frekvenční ochrana, třístupňová
Křížek - zavřít dialog
popis

Popis produktu:
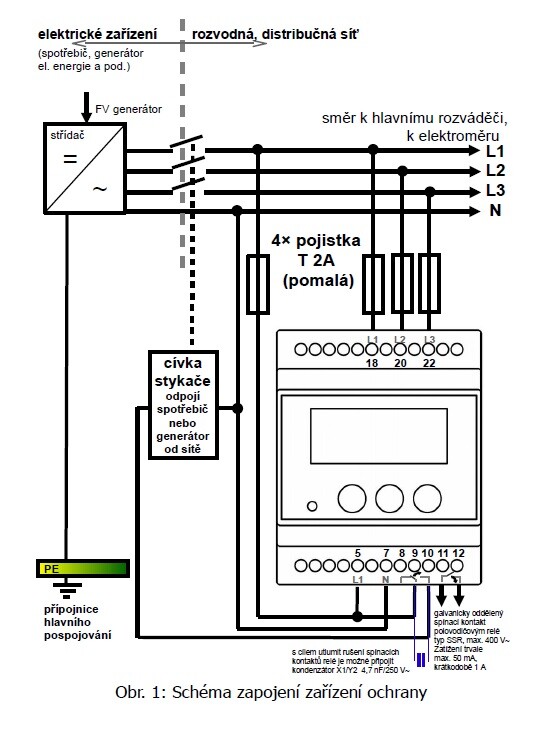
Typ: třístupňová síťová ochrana pro 3-fázové i 1-fázové soustavy. Napěťová a frekvenční ochrana, třístupňová pro instalaci s proudem do 16 A na fázi, vstup HDO.

Přístroj U-f GUARD je určený pro ochranu síťového napětí a síťové frekvence v soustavách s vlastní výrobou energie, jako např. u fotovoltaických systémů, kogeneračních jednotek, rozváděčových systémů apod. Přístroj lze připojit jen na nízkonapěťovou síť nominálního napětí 230 V / 400 V.

Doplňující informace
Manual_PV-B06MRC-CZ_cs.pdf Stáhnout v PDF (1.49 MB)
Katalogový list_PV-B06MRC-CZ_cs.pdf Stáhnout v PDF (0.14 MB)
Čtečka EAN13 kódů