NOARK 110231 Ex9JP-1P AC400V Monitorovací relé

Obrázky mohou mít pouze ilustrační charakter
Kód Viola: 46690465
EAN: 8592765102317
Kód výrobce: 110231
Jednotka: ks
Daň: 21%
Běžné balení: 1 ks
Výrobce: NOARK Electric Europe s.r.o.
Web výrobce:
Cena s DPH:
1 227,29 Kč/ks
1 014,29 Kč bez DPH Recyklační poplatek: 0,22 Kč s DPH
Přihlašte se pro získání bonusových bodů za nákup této položky
U partnera 9 ks
NOARK Electric Europe s.r.o. U partnera 9 ks

Dodání ze skladu NOARK 2 - 3 pracovní dny

Skladem u dodavatele 9 Kus
Máte dotaz k tomuto produktu?
ikonka dotazu
Dotaz k produktu: NOARK 110231 Ex9JP-1P AC400V Monitorovací relé
Křížek - zavřít dialog
popis

Popis produktu:
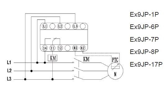
Monitorovací relé Ex9JP slouží k ochraně obvodů připojených k rozvodné síti. Tyto relé poskytují ochranu při přepětí, podpětí, nevyváženým fázím, sledu fází a fázovému selhání analýzou napětí na každé fázi. Teplotní ochrana pomocí PTC termistoru v zátěži je volitelná. Monitorovací relé jsou poskytována s různými kombinacemi ochranných funkcí, které mají fi xní nebo nastavitelné parametry. Mezi typické aplikace se řadí systémy řízení výkonu, klimatizační systémy a motorové aplikace.

Technické parametry:
Funkce: ochrana poruchy a sledu fáze s tepelnou ochranou motoru
Jmenovité řídicí napětí: 400 V AC
Spotřeba: 3W
Zapojení: 3-fázový 3-vodičový
Ochrana PTC: ano
Kontakty: 1CO ( přepínací )
Zatížení kontaktu: 3A / 240 V AC
Montáž: na DIN lištu
Počet modulů: 2
Připojení: šroubové
Provozní teplota: -5 až +40 °C
Rozměry: 91 x 66,2 x 36 mm
Hmotnost: 181 g
Stupeň krytí: IP20

Parametry
Typ el. připojení Závitová přípojka S odnímatelnými svorkami Ne Možné jednofázové podpětí Ne Možné třífázové podpětí Ne
Možné jednofázové přepětí Ne Možné třífázové přepětí Ne Možná jednofázová hystereze Ne Možná třífázová hystereze Ne
Typ el. připojení Závitová přípojka S odnímatelnými svorkami Ne Možné jednofázové podpětí Ne Možné třífázové podpětí Ne
Zobrazit více parametrů
Doplňující informace
Manual_ex9jp.pdf Stáhnout v PDF (2.22 MB)
Katalogový list_ex9jp_eu_cz.pdf Stáhnout v PDF (1.25 MB)
Čtečka EAN13 kódů